
You can find out more Diagram below
Motor Starter Wiring Diagram Pdf Star Delta Starter Wiring
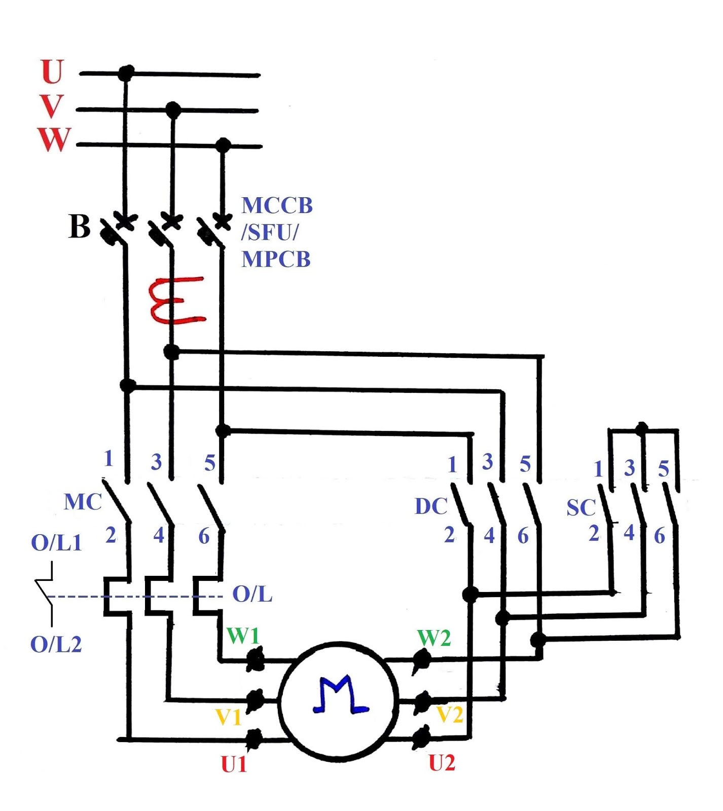
3 Star Delta Starter Control Wiring Diagram Wiring Images
Star Delta Motor Starter Explained In Details Eep
Star Delta Starter Control Wiring Diagram Pdf Circuit Of
Star Delta Starter Electrical Notes Articles
3 Phase 2 Speed Motor Wiring Diagram U V W Star Delta
Star Delta Control Wiring Diagram Pdf Wiring Diagram
Three Phase Star Delta Wiring Diagram 3 Compressor Motor
13 Nice Star Delta Starter Control Wiring Diagram With Timer
How To Work A Star Delta Starter With Control Wiring And Connection Diagram Animation Video
Typical Circuit Diagram Of Star Delta Starter
Wiring Dol Starter Motor Star Delta Electrical Engineering
Ladder Diagram For Controlling The Star Delta Starter
Star Delta Starter Y D Starter Power Control And Wiring
Star Delta Starter Part 1 Youtube
0 comments:
Post a Comment